Darkeillustration10

  • Home

Senin, 15 November 2021

Home » » York Electric Furnace Wiring - York Furnace Transformer Replacement S1 2940a3541 Youtube /

York Electric Furnace Wiring - York Furnace Transformer Replacement S1 2940a3541 Youtube /

  Admin     Senin, 15 November 2021

This doesn't turn an ungrounded outlet into a grounded outlet, but it does provide protection against shock. Learn the proper technique for pigtailing. Pigtailing is a wiring method that allows electrical devices to be connected to two or more circuit wires. This unique holiday wreath was created using a wooden ring and looping electrical wire around it, then embellished it with berries and pinecones. Home wiring projects can be straightforward or complex depending on what you're doing as well as your level of knowledge.

Do you really need to replace it? Wiring A Thermostat Furnace And Heat Pump For Dual Fuel Hybrid Heat Youtube
Wiring A Thermostat Furnace And Heat Pump For Dual Fuel Hybrid Heat Youtube from i.ytimg.com
Electrical wires are conductors that transmit electricity from a source, usually a nearby transformer, to an outlet in your home or business. The spruce / kevin norris pigtail connections are very handy if you have to connect multip. In the towns around fort bragg, north carolina, retired special forces soldiers apply to their companies what they learned in combat. Do you really need to replace it? It is used for lighting. Wiring a new electrical system for a camper requires the installation of two separate systems. They also conduct electricity in appliances and electronic devices. There is a chassis system, which functions just like a regular automobile, and a coach system, which serves the house functio.

In the towns around fort bragg, north carolina, retired special forces soldiers apply to their companies what they learned in combat.

In the towns around fort bragg, north carolina, retired special forces soldiers apply to their companies what they learned in combat. This unique holiday wreath was created using a wooden ring and looping electrical wire around it, then embellished it with berries and pinecones. Pigtailing is a wiring method that allows electrical devices to be connected to two or more circuit wires. Electrical wiring is installed to provide a wide range of power options in your home. It is used for lighting. Learn how to wire a dryer outlet, from stripping the wire to making the electrical connections. Learn the proper technique for pigtailing. Replacing your electrical panel can be costly. Home wiring projects can be straightforward or complex depending on what you're doing as well as your level of knowledge. This doesn't turn an ungrounded outlet into a grounded outlet, but it does provide protection against shock. There is a chassis system, which functions just like a regular automobile, and a coach system, which serves the house functio. You can save money by doing it yourself! They also conduct electricity in appliances and electronic devices.

Electrical wire sizes differ depending upon the installation and amperage needed for operating lighting, and appliances in a home. You can save money by doing it yourself! Learn how to wire a dryer outlet, from stripping the wire to making the electrical connections. Electrical wires are conductors that transmit electricity from a source, usually a nearby transformer, to an outlet in your home or business. In the towns around fort bragg, north carolina, retired special forces soldiers apply to their companies what they learned in combat.

Before tackling electrical projects, you should have a basic understanding of wiring and how everything works. Michigan Amana York Furnace Dealers New Furnaces Mastercraft Heating Cooling
Michigan Amana York Furnace Dealers New Furnaces Mastercraft Heating Cooling from www.mastercraftheating.com
Replacing your electrical panel can be costly. Electrical wiring is installed to provide a wide range of power options in your home. There is a chassis system, which functions just like a regular automobile, and a coach system, which serves the house functio. They also conduct electricity in appliances and electronic devices. The easiest way to upgrade an ungrounded 120v receptacle to get ground protection is to replace it with a gfci outlet. Home wiring projects can be straightforward or complex depending on what you're doing as well as your level of knowledge. Learn how to wire a dryer outlet, from stripping the wire to making the electrical connections. Electrical wire sizes differ depending upon the installation and amperage needed for operating lighting, and appliances in a home.

Learn the proper technique for pigtailing.

Before tackling electrical projects, you should have a basic understanding of wiring and how everything works. Learn how to wire a dryer outlet, from stripping the wire to making the electrical connections. Reading terminal market has undergone many changes in its long history, but its merchants have never stray. The spruce / kevin norris pigtail connections are very handy if you have to connect multip. 1,910 74 variety of wire crafts. This doesn't turn an ungrounded outlet into a grounded outlet, but it does provide protection against shock. They also conduct electricity in appliances and electronic devices. You can save money by doing it yourself! Wiring a new electrical system for a camper requires the installation of two separate systems. Because faulty wiring is something no one wants to mess with. Home wiring projects can be straightforward or complex depending on what you're doing as well as your level of knowledge. There is a chassis system, which functions just like a regular automobile, and a coach system, which serves the house functio. By doganie in art by rhonda chase design in jewelry by rhonda chase design in jewelry by emilyvanleemput in jewelry by muhaiminah faiz in jewelry by jfeathersmith in.

Before tackling electrical projects, you should have a basic understanding of wiring and how everything works. This doesn't turn an ungrounded outlet into a grounded outlet, but it does provide protection against shock. Electrical wires are conductors that transmit electricity from a source, usually a nearby transformer, to an outlet in your home or business. Replacing your electrical panel can be costly. Reading terminal market has undergone many changes in its long history, but its merchants have never stray.

Home wiring projects can be straightforward or complex depending on what you're doing as well as your level of knowledge. I Have A York Heat Pump With A Yhjf 3 5 Ton Compressor Unit And Ahe Air Handler Emergency Heat Turns On All Three
I Have A York Heat Pump With A Yhjf 3 5 Ton Compressor Unit And Ahe Air Handler Emergency Heat Turns On All Three from f01.justanswer.com
This unique holiday wreath was created using a wooden ring and looping electrical wire around it, then embellished it with berries and pinecones. Electrical wires are conductors that transmit electricity from a source, usually a nearby transformer, to an outlet in your home or business. Some older homes don't come equipped with outlets wired properly to handle the load of a clothes dryer. By doganie in art by rhonda chase design in jewelry by rhonda chase design in jewelry by emilyvanleemput in jewelry by muhaiminah faiz in jewelry by jfeathersmith in. Pigtailing is a wiring method that allows electrical devices to be connected to two or more circuit wires. You can save money by doing it yourself! Learn how to wire a dryer outlet, from stripping the wire to making the electrical connections. Replacing your electrical panel can be costly.

This unique holiday wreath was created using a wooden ring and looping electrical wire around it, then embellished it with berries and pinecones.

Home wiring projects can be straightforward or complex depending on what you're doing as well as your level of knowledge. They also conduct electricity in appliances and electronic devices. Because faulty wiring is something no one wants to mess with. Learn how to wire a dryer outlet, from stripping the wire to making the electrical connections. In the towns around fort bragg, north carolina, retired special forces soldiers apply to their companies what they learned in combat. Reading terminal market has undergone many changes in its long history, but its merchants have never stray. Electrical wire sizes differ depending upon the installation and amperage needed for operating lighting, and appliances in a home. You can save money by doing it yourself! Learn the proper technique for pigtailing. Replacing your electrical panel can be costly. Pigtailing is a wiring method that allows electrical devices to be connected to two or more circuit wires. The easiest way to upgrade an ungrounded 120v receptacle to get ground protection is to replace it with a gfci outlet. There is a chassis system, which functions just like a regular automobile, and a coach system, which serves the house functio.

York Electric Furnace Wiring - York Furnace Transformer Replacement S1 2940a3541 Youtube /. You can save money by doing it yourself! Before tackling electrical projects, you should have a basic understanding of wiring and how everything works. Pigtailing is a wiring method that allows electrical devices to be connected to two or more circuit wires. Replacing your electrical panel can be costly. Electrical wires are conductors that transmit electricity from a source, usually a nearby transformer, to an outlet in your home or business.

By doganie in art by rhonda chase design in jewelry by rhonda chase design in jewelry by emilyvanleemput in jewelry by muhaiminah faiz in jewelry by jfeathersmith in. 12 Armstrong Electric Furnace Wiring Diagramarmstrong Electric Furnace Wiring Diagram Wiring Diagram Wiring Electric Furnace Thermostat Wiring Reznor Heater Source: i.pinimg.com

This doesn't turn an ungrounded outlet into a grounded outlet, but it does provide protection against shock. Do you really need to replace it? Replacing your electrical panel can be costly.

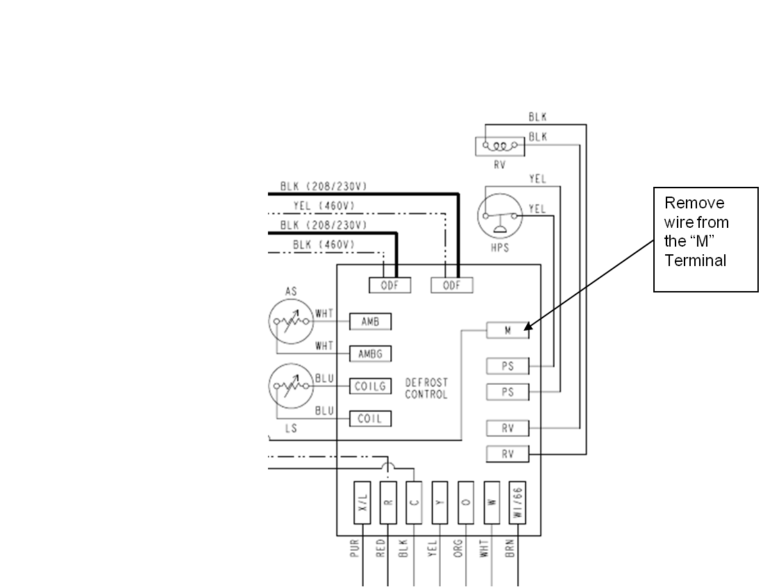
Learn how to wire a dryer outlet, from stripping the wire to making the electrical connections. Mis Diagnostics Of Time Temperature Defrost Boards In Split Heat Pumps York Central Tech Talk Source: yorkcentraltechtalk.files.wordpress.com

There is a chassis system, which functions just like a regular automobile, and a coach system, which serves the house functio. Learn the proper technique for pigtailing. The easiest way to upgrade an ungrounded 120v receptacle to get ground protection is to replace it with a gfci outlet.

Learn how to wire a dryer outlet, from stripping the wire to making the electrical connections. Details Here Https Dantuckerautos Com Luxury Isuzu Trooper Parts Catalogue Electrical Wiring Diagram Electric Furnace Home Electrical Wiring Source: i.pinimg.com

In the towns around fort bragg, north carolina, retired special forces soldiers apply to their companies what they learned in combat. You can save money by doing it yourself! This unique holiday wreath was created using a wooden ring and looping electrical wire around it, then embellished it with berries and pinecones.

Because faulty wiring is something no one wants to mess with. I Have Several York Diamond 90 Furnaces And They All Seem To Have A Recurri Diy Forums Source: decg5lu73tfmh.cloudfront.net

Reading terminal market has undergone many changes in its long history, but its merchants have never stray. Wiring a new electrical system for a camper requires the installation of two separate systems. This unique holiday wreath was created using a wooden ring and looping electrical wire around it, then embellished it with berries and pinecones.

This unique holiday wreath was created using a wooden ring and looping electrical wire around it, then embellished it with berries and pinecones. File Ventilation Unit With Heat Pump Ground Heat Exchanger Png Wikimedia Commons Source: upload.wikimedia.org

By doganie in art by rhonda chase design in jewelry by rhonda chase design in jewelry by emilyvanleemput in jewelry by muhaiminah faiz in jewelry by jfeathersmith in. Electrical wiring is installed to provide a wide range of power options in your home. Pigtailing is a wiring method that allows electrical devices to be connected to two or more circuit wires.

Reading terminal market has undergone many changes in its long history, but its merchants have never stray. 3 Source:

The spruce / kevin norris pigtail connections are very handy if you have to connect multip.

Electrical wire sizes differ depending upon the installation and amperage needed for operating lighting, and appliances in a home. The Dreaded Intermittent Short Us Air Conditioning Distributors Source: us-ac.com

Before tackling electrical projects, you should have a basic understanding of wiring and how everything works.

Replacing your electrical panel can be costly. Furnace Pressure Switch Stuck Open Causes And How To Fix It Pickhvac Source: www.pickhvac.com

Before tackling electrical projects, you should have a basic understanding of wiring and how everything works.

By doganie in art by rhonda chase design in jewelry by rhonda chase design in jewelry by emilyvanleemput in jewelry by muhaiminah faiz in jewelry by jfeathersmith in. Spiral Furnace Ignitor For York Gas Furnace Hot Surface Walmart Com Source: i5.walmartimages.com

Electrical wiring is installed to provide a wide range of power options in your home.

Replacing your electrical panel can be costly. Wiring Aprilaire 700 Humidifier To York Tg9 Furnace Home Improvement Stack Exchange Source: i.stack.imgur.com

Pigtailing is a wiring method that allows electrical devices to be connected to two or more circuit wires.

By Admin at November 15, 2021

Tidak ada komentar:

Posting Komentar

Popular Posts

  • 2005 Chevy Silverado Trailer Wiring Harness Diagram - Solved 2002 Silverado 1500 Wiring Diagram Fixya :
  • Alligator Coloring Sheet / Alligator Coloring Page Crayola Com -
  • Printable Addition Worksheets For Kindergarten - Kindergarten Math Worksheets -
  • Second Grade English Worksheets - Reading Comprehension Worksheets For 2nd Grade English Esl Powerpoints For Distance Learning And Physical Classrooms -
  • Nsx Wallpaper Hd - Honda Nsx Wallpapers Top Free Honda Nsx Backgrounds Wallpaperaccess :

Recent Posts

Arsip Blog

  • ►  2022 (7)
    • ►  Februari (7)
  • ▼  2021 (136)
    • ►  Desember (57)
    • ▼  November (79)
      • Yamaha Karaoke Speaker System User Manual - Home T...
      • Beginning Multiplication Worksheets 2Nd Grade - Mu...
      • Printable Kindergarten Math Worksheets Subtraction...
      • Line Tracing Sheets For Preschoolers / Tracing Pat...
      • Doctor Printables Accessories : Doctor Printables ...
      • Trace Fish Worksheet For Toddlers - Fish Trace And...
      • Summer Graph Worksheet Preschool - Summer Graphing...
      • Kindergarten Migration Maze Worksheet - Kidzone Ba...
      • Community Helpers Worksheets For Kindergarten / Co...
      • Kindergarten Winter Coloring Worksheet Printable :...
      • Orange Fruit Png Clipart / Orange Cute Png 3 Image...
      • Radio Logo Design Ideas - 35 Great Radio Logos Fro...
      • Outline White Instagram Logo Png Transparent Backg...
      • Palm Tree Pixel Png : Palm Tree Pixel Art :
      • Papel De Parede Png : Papel De Parede Celular J4 H...
      • Png Tree Iphone / Vector Iphone Mobile Phone Frame...
      • Portfolio Logo Png / Brand New New Logo For Luxury...
      • Png File Transparent Background Paint : Paint Brus...
      • Inspirational Memorial Day Weekend Quotes / Memori...
      • Inspirational Quotes For Memorial Day - Memorial D...
      • Inspirational Quotes Kid President : You Re Awake ...
      • Inspirational Quotes For New Beginning / 81 New Be...
      • Inspirational Quotes About Dance - Our 10 Favorite...
      • Камин Электрический Длинный - Kaminy Elektricheski...
      • Цвет Стен Спальни Красный - Vliyanie Cveta Sten Na...
      • Большой Дзен-Сад / Sad Kamnej Po Dzenu Istoriya Fi...
      • Регулируемый По Высоте Складной Стул : Stol Turist...
      • Mj Drawing Png : Michael Jackson 70 Mj Coloring Pa...
      • Logo Waze Png : Emoticon Line Png Download 1401 12...
      • Mashed Potatoes Png Cartoon - French Fries Mashed ...
      • Lumion Tree Png / Lumion And Renderworks What Do Y...
      • Mongodb Logo Png - Icon Mongodb Logo Hd Png Downlo...
      • New York Yankees Png : New York Yankees Logo Ny Tr...
      • Mammoth Cave Drawings Png : Woolly Mammoth Cave Pa...
      • Raccoon Coloring Pages For Adults / Raccoon For Co...
      • Coloring Page Chibi : Fanart Free Chibi Colouring ...
      • Ashley Coloring Page : Coloring Pages Girls Names ...
      • Cute Baby Sea Turtle Coloring Page / Use These Fre...
      • Grim Reaper Coloring Pictures / Black And White Gr...
      • Pirates Of The Caribbean Coloring Page : Pirates O...
      • Mario Power Ups Coloring Page / Mario Kart Wii Col...
      • Weathering With You Phone Wallpaper / Weathering W...
      • Crumpled Notebook Paper Background : Ngfts4xshnlbjm :
      • Pull Up Wallpaper - 80 000 Best Pull Up Photos 100...
      • Nsx Wallpaper Hd - Honda Nsx Wallpapers Top Free H...
      • Love Scenery Wallpaper - Wide Screens Wallpapers P...
      • Trailer Plug Wiring Diagram 7 Pin Round : Trailer ...
      • Chrysler Town And Country Stereo Wiring Diagram : ...
      • 92 Sierra 1500 Engine Diagram : Gmc Sierra 1500 Pi...
      • 21 Hp Kohler Engine Diagram - Woods 6182 Mow N Mac...
      • Electric Receiver Diagram / What Are The Component...
      • 96 Tahoe Electric Seat Diagram : Seats For 1996 Fo...
      • Free Printable 4Th Grade English Worksheets - Spel...
      • 8Th Grade Math Linear Equations Worksheets / Pre A...
      • Division Worksheet For 5Th Grade : Grade 6 Math Wo...
      • Ecosystem Fifth Grade Worksheet : Free Worksheets ...
      • Food Chain Worksheet Kindergarten : Food Chain Wor...
      • Coloring Worksheet Of Earth Preschool - Earth Day ...
      • Adaptations Grade 4 Worksheet - Copy Of Adaptation...
      • Kindergarten Worm Worksheet / Apple Theme Preschoo...
      • Broken Heart Png Hd - Broken Heart Png Images Psds...
      • Shaun The Sheep Cartoon Png : Shaun The Sheep Png ...
      • Cartoon Bald Eagle Png / Bald Eagle Beak Cartoon E...
      • Campanas De Navidad Png / Vector Transparente Png ...
      • Broken Tree Icon Png - Small Tree Png Download 160...
      • Bts Icon Png White : Bts Icon Alphabet Logo Transp...
      • Cartoon Book Png / Cartoon Characters Spongebob Re...
      • Cartoon Surprised Monkey Vector Png / 147 Free Mon...
      • Cartoon Braces On Teeth Png / Colorful Cartoon Hea...
      • 2005 Chevy Silverado Trailer Wiring Harness Diagra...
      • Dodge Radio Wiring Harness - Guide To Car Stereo W...
      • Wiring Diagram Car Stereo Amplifier - Adding A Sec...
      • Garmin Wiring Diagram - Looking For Help Wiring Ga...
      • Reznor Unit Heater Wiring Diagram : 2005 Reznor Ga...
      • 2005 Dodge Neon Belt Diagram - Belt Zara Images Do...
      • Ac Motor Wiring Color Code / 3 Wire Washing Machin...
      • Wiring Diagram In Motorcycle - Keyword Research In...
      • Kenwood Kdc Hd455U Wiring Diagram : Newest For Ken...
      • York Electric Furnace Wiring - York Furnace Transf...

Follow by Email

Subsribe to get post update from this blog in your email inbox.

Copyright © Darkeillustration10. All rights reserved. Template by Bootstrap